LM741 Op-Amp Schematic: Understanding The Circuit

P.Encode 117 views
LM741 Op-Amp Schematic: Understanding The Circuit

LM741 Op-Amp Schematic: Understanding the Circuit

Hey guys! Ever wondered what makes the LM741 op-amp tick? This little chip is a cornerstone in the world of electronics, and understanding its schematic is super useful for anyone diving into circuit design or troubleshooting. Let’s break down the LM741 schematic piece by piece so you can get a handle on how it works. It’s more approachable than you might think!

The LM741 Op-Amp: A Deep Dive into its Inner Workings

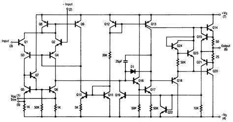
The LM741 is a general-purpose operational amplifier (op-amp) that has been around for decades, and for good reason! Its robust design and versatility have made it a favorite in countless applications, from simple amplifiers to complex control systems. At its heart, the LM741 schematic reveals a carefully crafted arrangement of transistors, resistors, and capacitors, all working together to provide high gain, stable performance, and a wide range of operating voltages. Understanding the intricacies of this schematic not only demystifies the op-amp but also provides valuable insights into analog circuit design principles. By tracing the signal path through the various stages – the differential input stage, the gain stage, and the output stage – you can appreciate how each component contributes to the overall functionality of the amplifier. The differential input stage, for instance, is crucial for its ability to amplify the difference between two input signals, making it ideal for applications where noise rejection is paramount. The gain stage provides the bulk of the amplification, while the output stage ensures that the amplified signal can drive a variety of loads without significant distortion. Moreover, the internal compensation network, typically consisting of a capacitor, plays a vital role in stabilizing the op-amp and preventing oscillations, which are a common problem in high-gain amplifiers. So, diving into the LM741 schematic is not just about understanding a specific chip; it’s about gaining a deeper appreciation for the art and science of analog circuit design.

Decoding the LM741 Schematic: Pin by Pin

Okay, let’s get into the nitty-gritty of the LM741 schematic . First things first, let’s identify the key pins and what they do. Pin 2 is the inverting input (-), pin 3 is the non-inverting input (+), pin 6 is the output, pin 7 is the positive supply voltage (V+), and pin 4 is the negative supply voltage (V-). Pin 1 and 5 are offset null pins which are sometimes used to fine-tune the op-amp’s output, but often left unconnected. Pin 8 is not connected. Knowing these pins is crucial because they are the gateway to understanding how the op-amp interacts with the external world. The inverting and non-inverting inputs are where you feed your signals, and the relationship between these inputs determines the output signal. The supply voltage pins (V+ and V-) provide the necessary power for the op-amp to function. Understanding the purpose of each pin is the first step in designing circuits using the LM741 . When looking at the LM741 schematic , trace how each pin connects to the internal circuitry. You’ll notice that the input pins are connected to a differential amplifier, which is the heart of the op-amp’s ability to amplify the difference between two input signals. The output pin connects to the output stage, which is designed to drive a load without significant signal degradation. The supply voltage pins power all the internal components, ensuring that the op-amp has enough juice to perform its amplification duties. By carefully studying the LM741 schematic and understanding the function of each pin, you’ll be well-equipped to design and troubleshoot circuits that utilize this versatile component. This knowledge is essential for anyone working with analog electronics, as it provides a foundation for understanding more complex op-amp circuits and applications.

Key Components within the LM741: A Closer Look

Delving deeper into the LM741 schematic , you’ll find a fascinating array of transistors, resistors, and capacitors, each playing a critical role in the op-amp’s operation. The input stage typically consists of a differential amplifier, which uses matched transistors to amplify the difference between the two input signals while rejecting common-mode noise. This is crucial for applications where the signal is small and susceptible to interference. The gain stage provides the bulk of the amplification, boosting the signal to a usable level. This stage often uses multiple transistors in a cascaded configuration to achieve high gain. The output stage is designed to drive a load, such as a speaker or another circuit, without significant signal distortion. This stage typically uses complementary transistors to provide both sourcing and sinking current capabilities. Resistors are used throughout the circuit to set bias currents, provide feedback, and limit current flow. They are essential for setting the operating point of the transistors and ensuring stable performance. Capacitors are used for compensation, which is necessary to prevent oscillations and ensure that the op-amp is stable over a wide range of frequencies. Without compensation, the op-amp would likely oscillate, rendering it useless. Understanding the function of each component is essential for troubleshooting and modifying circuits that use the LM741 . By tracing the signal path through the various stages and analyzing the role of each component, you can gain a deeper understanding of how the op-amp works. This knowledge will enable you to design more effective circuits and troubleshoot problems more efficiently. So, take the time to study the LM741 schematic and familiarize yourself with the function of each component – it’s an investment that will pay off in the long run.

Common LM741 Applications: Putting the Schematic to Use

Now that we’ve explored the LM741 schematic and its inner workings, let’s look at some common applications where this versatile op-amp shines. One popular application is as a simple amplifier. By configuring the op-amp with appropriate feedback resistors, you can create an amplifier with a specific gain. This is useful for boosting weak signals to a level that can be easily processed. Another common application is as a comparator. By comparing two input voltages, the op-amp can output a high or low signal, depending on which voltage is higher. This is useful for detecting thresholds and triggering events. The LM741 can also be used as an active filter. By incorporating capacitors and resistors in the feedback network, you can create filters that selectively amplify or attenuate certain frequencies. This is useful for removing noise from signals or isolating specific frequency components. Furthermore, the LM741 finds applications in oscillators, voltage regulators, and current sources. Its versatility makes it a valuable building block in a wide range of electronic circuits. Understanding the LM741 schematic and its operating principles is essential for designing and troubleshooting these applications. By analyzing the circuit and understanding how the op-amp interacts with the other components, you can optimize the performance of your designs. So, whether you’re building a simple amplifier or a complex control system, the LM741 is a reliable and versatile op-amp that can help you achieve your goals. Its wide availability and low cost make it an attractive choice for both hobbyists and professionals alike.

Tips for Working with the LM741 Schematic

Alright, a few tips for when you’re actually working with the LM741 schematic in real-world projects. Always double-check your pin connections. A single mistake can fry the chip or cause unexpected behavior. Use a breadboard to prototype your circuit before soldering anything permanently. This allows you to easily make changes and experiment with different component values. Pay attention to the supply voltage. The LM741 typically operates with a supply voltage between ±5V and ±15V. Exceeding these limits can damage the chip. Consider using a bypass capacitor near the power supply pins. This helps to filter out noise and improve the stability of the circuit. When calculating resistor values, remember to account for the input impedance of the op-amp. This can affect the gain and frequency response of the circuit. If you’re experiencing oscillations, try adding a compensation capacitor to the feedback network. This can help to stabilize the circuit and prevent unwanted oscillations. Use an oscilloscope to analyze the output signal and identify any problems. This is particularly useful for troubleshooting complex circuits. Finally, don’t be afraid to experiment! The best way to learn is by trying things out and seeing what happens. With a little practice, you’ll be able to master the LM741 schematic and create a wide range of exciting electronic projects. So, grab your breadboard, your components, and your multimeter, and start exploring the world of op-amps!

Conclusion: Mastering the LM741 Schematic

So, there you have it, a comprehensive look at the LM741 schematic . Hopefully, this has demystified the inner workings of this iconic op-amp and given you the confidence to start using it in your own projects. Remember, understanding the schematic is key to unlocking the full potential of the LM741. By tracing the signal path, analyzing the function of each component, and experimenting with different configurations, you can gain a deep understanding of analog circuit design principles. The LM741 is a versatile and reliable op-amp that has been used in countless applications for decades. Its wide availability, low cost, and robust design make it an excellent choice for both hobbyists and professionals. So, whether you’re building a simple amplifier, a complex control system, or anything in between, the LM741 is a valuable tool that can help you achieve your goals. Keep exploring, keep experimenting, and keep building! You will surely master the LM741 schematic in no time! Happy tinkering!